李工:138-8949-5179 刘工:135-0428-8802
型号查询
轴承型号   常见搜索: 6004轴承 22222轴承 *轴承 6909轴承 6906轴承 6309轴承
型号查询 X

轴承专区

Bearings Center

SIR 35 ES轴承-SKF SIR 35 ES轴承尺寸、图纸、价格

SKF SIR 35 ES轴承

产品名称:SIR 35 ES轴承 品牌:SKF
类型:SKF轴承 > 球面滑动轴承和杆端关节轴承 > 需维护的杆端关节轴承
描述:SIR 35 ES轴承是【SKF轴承 > 球面滑动轴承和杆端关节轴承 > 需维护的杆端关节轴承】的型号,主要用在铁路车辆、油泵、压缩机、机床主轴、振动筛、起重机吊钩、冶炼厂、纺织、专用车、机械手等各大领域

 电话/微信:138-8949-5179

SKF SIR 35 ES轴承详细信息

SIR 35 ES轴承是【SKF轴承 > 球面滑动轴承和杆端关节轴承 > 需维护的杆端关节轴承】的型号,主要用在铁路车辆、油泵、压缩机、机床主轴、振动筛、起重机吊钩、冶炼厂、纺织、专用车、机械手等各大领域。

SKF SIR 35 ES轴承详细参数

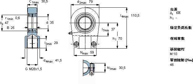
需要维护的杆端, 钢对钢,阴螺纹,用于液压滚筒
主要数据尺寸角度倾的基本负荷额定值质量型号
动态静态杆端带右旋螺纹
dd2Bd3C1h1±CC0
6H
mm度数kNkg-
357925M28x1,530,5706801181,20SIR 35 ES

SKF SIR 35 ES轴承尺寸图纸

李工:138-8949-5179

刘工:135-0428-8802

地址:辽宁省大连经济技术开发区现代城3栋-13-13号

在线客服系统