李工:138-8949-5179 刘工:135-0428-8802
型号查询
轴承型号   常见搜索: 6010轴承 6016轴承 22222轴承 6009轴承 617轴承 6019轴承
型号查询 X

轴承专区

Bearings Center

7212 BECBY轴承-SKF 7212 BECBY轴承尺寸、图纸、价格

SKF 7212 BECBY轴承

产品名称:7212 BECBY轴承 品牌:SKF
类型:SKF轴承 > 滚动轴承 > 角接触球轴承
描述:7212 BECBY轴承是【SKF轴承 > 滚动轴承 > 角接触球轴承】的型号,主要用在通用电动机、高频马达、变速器、前轮、轧钢机齿轮箱座、机床等的变速装置、轧钢机轧制螺杆用减速机、啤酒、工程船舶、机场加油机等各大领域

 电话/微信:138-8949-5179

SKF 7212 BECBY轴承详细信息

7212 BECBY轴承是【SKF轴承 > 滚动轴承 > 角接触球轴承】的型号,主要用在通用电动机、高频马达、变速器、前轮、轧钢机齿轮箱座、机床等的变速装置、轧钢机轧制螺杆用减速机、啤酒、工程船舶、机场加油机等各大领域。

SKF 7212 BECBY轴承详细参数

角接触球轴承, 单列
主要数据尺寸尺寸 [英寸]疲劳负荷限值额定速度体积型号
动态静态参照速度限制速度
dDBCC0Pu
mmkNkNr/minkg-
601102257,245,51,93700070000,837212 BECBY

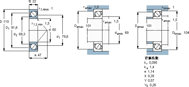
SKF 7212 BECBY轴承尺寸图纸

李工:138-8949-5179

刘工:135-0428-8802

地址:辽宁省大连经济技术开发区现代城3栋-13-13号

在线客服系统