李工:138-8949-5179 刘工:135-0428-8802
型号查询
轴承型号   常见搜索: 6030轴承 6017轴承 6032轴承 6205轴承 6011轴承 6022轴承
型号查询 X

轴承专区

Bearings Center

2 x 7218 BECCM轴承-SKF 2 x 7218 BECCM轴承尺寸、图纸、价格

SKF 2 x 7218 BECCM轴承

产品名称:2 x 7218 BECCM轴承 品牌:SKF
类型:SKF轴承 > 滚动轴承 > 角接触球轴承
描述:2 x 7218 BECCM轴承是【SKF轴承 > 滚动轴承 > 角接触球轴承】的型号,主要用在飞机喷气式发动机、油泵、变速器、机床主轴、造纸机械、石油钻机、燃机、饮料设备、解体机、坦克等各大领域

 电话/微信:138-8949-5179

SKF 2 x 7218 BECCM轴承详细信息

2 x 7218 BECCM轴承是【SKF轴承 > 滚动轴承 > 角接触球轴承】的型号,主要用在飞机喷气式发动机、油泵、变速器、机床主轴、造纸机械、石油钻机、燃机、饮料设备、解体机、坦克等各大领域。

SKF 2 x 7218 BECCM轴承详细参数

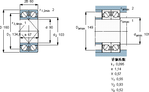
角接触球轴承, 单列,用于配对安装, 面对面配对
主要数据尺寸基本负荷额定值疲劳负荷限值额定速度体积型号轴承配对
动态静态参照速度限制速度
dD2BCC0Pu
mmkNkNr/minkg--
90160601781937,2360048004,802 × 7218 BECCMDF

SKF 2 x 7218 BECCM轴承尺寸图纸

李工:138-8949-5179

刘工:135-0428-8802

地址:辽宁省大连经济技术开发区现代城3栋-13-13号

在线客服系统