轴承专区
Bearings Center
SAKB 20 F轴承-SKF SAKB 20 F轴承尺寸、图纸、价格
SKF SAKB 20 F轴承
| 产品名称: | SAKB 20 F轴承 | 品牌: | SKF |
|---|---|---|---|
| 类型: | SKF轴承 > 球面滑动轴承和杆端关节轴承 > 免维护的杆端关节轴承 | ||
| 描述: | SAKB 20 F轴承是【SKF轴承 > 球面滑动轴承和杆端关节轴承 > 免维护的杆端关节轴承】的型号,主要用在铁路车辆、小型汽车前轮、发电机、差速器、轧钢机辊道子、耕耘机、冶炼厂、纺织、地基处理机械、正面吊等各大领域 | ||
电话/微信:138-8949-5179
SKF SAKB 20 F轴承详细信息
SAKB 20 F轴承是【SKF轴承 > 球面滑动轴承和杆端关节轴承 > 免维护的杆端关节轴承】的型号,主要用在铁路车辆、小型汽车前轮、发电机、差速器、轧钢机辊道子、耕耘机、冶炼厂、纺织、地基处理机械、正面吊等各大领域。
SKF SAKB 20 F轴承详细参数
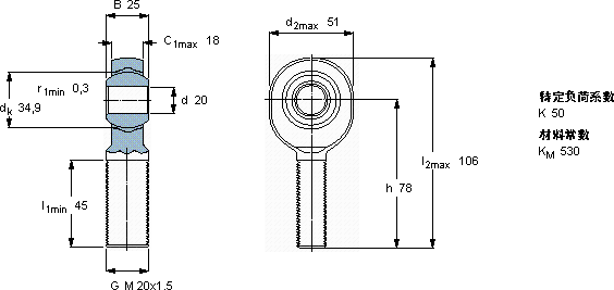
| 免维护杆端, 阳螺纹, 钢/PTFE复合材料 | |||||||||||
| 主要数据尺寸 | 角度倾的 | 基本负荷额定值 | 质量 | 型号 | |||||||
| 动态 | 静态 | 轴承座完全与密封件 | |||||||||
| d | d2 | B | d3 | C1 | h | ± | C | C0 | |||
| 6g | |||||||||||
| mm | 度数 | kN | kg | - | |||||||
| 20 | 51 | 25 | M 20x1.5 | 18 | 78 | 14 | 31 | 50 | 0,37 | SAKB 20 F | |
SKF SAKB 20 F轴承尺寸图纸

