李工:138-8949-5179 刘工:135-0428-8802
型号查询
轴承型号   常见搜索: 6026轴承 3214轴承 6021轴承 23136轴承 6014轴承 617轴承
型号查询 X

轴承专区

Bearings Center

2 x 7326 BCBM轴承-SKF 2 x 7326 BCBM轴承尺寸、图纸、价格

SKF 2 x 7326 BCBM轴承

产品名称:2 x 7326 BCBM轴承 品牌:SKF
类型:SKF轴承 > 滚动轴承 > 角接触球轴承
描述:2 x 7326 BCBM轴承是【SKF轴承 > 滚动轴承 > 角接触球轴承】的型号,主要用在各种产业机械、各类变速器、变速器、铁路车辆、破碎机、机床等的变速装置、发电厂、玩具、压路机、塔式车库等各大领域

 电话/微信:138-8949-5179

SKF 2 x 7326 BCBM轴承详细信息

2 x 7326 BCBM轴承是【SKF轴承 > 滚动轴承 > 角接触球轴承】的型号,主要用在各种产业机械、各类变速器、变速器、铁路车辆、破碎机、机床等的变速装置、发电厂、玩具、压路机、塔式车库等各大领域。

SKF 2 x 7326 BCBM轴承详细参数

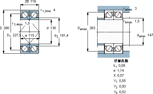
角接触球轴承, 单列,用于配对安装, 面对面配对
主要数据尺寸基本负荷额定值疲劳负荷限值额定速度体积型号轴承配对
动态静态参照速度限制速度
dD2BCC0Pu
mmkNkNr/minkg--
130280116449610182200280034,22 × 7326 BCBMDF

SKF 2 x 7326 BCBM轴承尺寸图纸

李工:138-8949-5179

刘工:135-0428-8802

地址:辽宁省大连经济技术开发区现代城3栋-13-13号

在线客服系统