李工:138-8949-5179 刘工:135-0428-8802
型号查询
轴承型号   常见搜索: 6309轴承 32313轴承 6020轴承 6011轴承 6016轴承 22222轴承
型号查询 X

轴承专区

Bearings Center

2 x 7206 BEGAP *轴承-SKF 2 x 7206 BEGAP *轴承尺寸、图纸、价格

SKF 2 x 7206 BEGAP *轴承

产品名称:2 x 7206 BEGAP *轴承 品牌:SKF
类型:SKF轴承 > 滚动轴承 > 角接触球轴承
描述:2 x 7206 BEGAP *轴承是【SKF轴承 > 滚动轴承 > 角接触球轴承】的型号,主要用在铁路车辆、燃汽轮机、变速器、后轮、轧钢机辊道子、起重机吊钩、冶炼厂、精细化工机械、专用车、吹氧装置等各大领域

 电话/微信:138-8949-5179

SKF 2 x 7206 BEGAP *轴承详细信息

2 x 7206 BEGAP *轴承是【SKF轴承 > 滚动轴承 > 角接触球轴承】的型号,主要用在铁路车辆、燃汽轮机、变速器、后轮、轧钢机辊道子、起重机吊钩、冶炼厂、精细化工机械、专用车、吹氧装置等各大领域。

SKF 2 x 7206 BEGAP *轴承详细参数

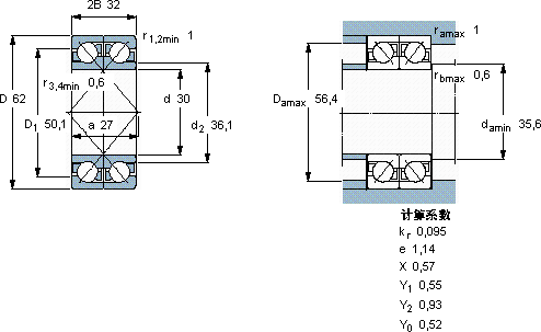
角接触球轴承, 单列,用于配对安装, 面对面配对
主要数据尺寸基本负荷额定值疲劳负荷限值额定速度体积型号轴承配对
动态静态参照速度限制速度
dD2BCC0Pu * - SKF Explorer 轴承
mmkNkNr/minkg--
30623239311,3211000140000,382 × 7206 BEGAP *DF

SKF 2 x 7206 BEGAP *轴承尺寸图纸

李工:138-8949-5179

刘工:135-0428-8802

地址:辽宁省大连经济技术开发区现代城3栋-13-13号

在线客服系统