李工:138-8949-5179 刘工:135-0428-8802
型号查询
轴承型号   常见搜索: 6004轴承 6028轴承 2025轴承 71913轴承 688a轴承 6008轴承
型号查询 X

轴承专区

Bearings Center

QJ 322 N2MA *轴承-SKF QJ 322 N2MA *轴承尺寸、图纸、价格

SKF QJ 322 N2MA *轴承

产品名称:QJ 322 N2MA *轴承 品牌:SKF
类型:SKF轴承 > 滚动轴承 > 角接触球轴承
描述:QJ 322 N2MA *轴承是【SKF轴承 > 滚动轴承 > 角接触球轴承】的型号,主要用在燃汽轮机、差速器小齿轮轴、挖土机履带轮、小齿轮轴、轧钢机齿轮箱座、机床主轴、电机厂、纺织、混凝土机械、数控设备等各大领域

 电话/微信:138-8949-5179

SKF QJ 322 N2MA *轴承详细信息

QJ 322 N2MA *轴承是【SKF轴承 > 滚动轴承 > 角接触球轴承】的型号,主要用在燃汽轮机、差速器小齿轮轴、挖土机履带轮、小齿轮轴、轧钢机齿轮箱座、机床主轴、电机厂、纺织、混凝土机械、数控设备等各大领域。

SKF QJ 322 N2MA *轴承详细参数

角接触球轴承, 四点接触球轴承
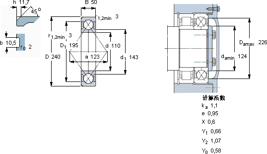
主要数据尺寸基本负荷额定值疲劳负荷限值额定速度体积型号
动态静态参照速度限制速度
dDBCC0Pu * - SKF Explorer 轴承
mmkNkNr/minkg-
1102405039048015,33600480012,5QJ 322 N2MA *

SKF QJ 322 N2MA *轴承尺寸图纸

李工:138-8949-5179

刘工:135-0428-8802

地址:辽宁省大连经济技术开发区现代城3栋-13-13号

在线客服系统