李工:138-8949-5179 刘工:135-0428-8802
型号查询
轴承型号   常见搜索: 617轴承 6014轴承 6214轴承 7014轴承 6022轴承 6900轴承
型号查询 X

轴承专区

Bearings Center

SILA 50 ES-2RS轴承-SKF SILA 50 ES-2RS轴承尺寸、图纸、价格

SKF SILA 50 ES-2RS轴承

产品名称:SILA 50 ES-2RS轴承 品牌:SKF
类型:SKF轴承 > 球面滑动轴承和杆端关节轴承 > 需维护的杆端关节轴承
描述:SILA 50 ES-2RS轴承是【SKF轴承 > 球面滑动轴承和杆端关节轴承 > 需维护的杆端关节轴承】的型号,主要用在农业机械、小型汽车前轮、压缩机、差速器、造纸机械、耕耘机、钢铁厂、陶瓷机械、平地机、机场加油机等各大领域

 电话/微信:138-8949-5179

SKF SILA 50 ES-2RS轴承详细信息

SILA 50 ES-2RS轴承是【SKF轴承 > 球面滑动轴承和杆端关节轴承 > 需维护的杆端关节轴承】的型号,主要用在农业机械、小型汽车前轮、压缩机、差速器、造纸机械、耕耘机、钢铁厂、陶瓷机械、平地机、机场加油机等各大领域。

SKF SILA 50 ES-2RS轴承详细参数

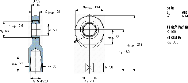
需要维护的杆端, 钢对钢,阴螺纹, 两面密封件
主要数据尺寸角度倾的基本负荷额定值质量型号
动态静态杆端带右或左旋螺纹
dd2Bd3C1h1±CC0
6H
mm度数kNkg-
5011435M 45x33116061562704,10SILA 50 ES-2RS

SKF SILA 50 ES-2RS轴承尺寸图纸

李工:138-8949-5179

刘工:135-0428-8802

地址:辽宁省大连经济技术开发区现代城3栋-13-13号

在线客服系统