李工:138-8949-5179 刘工:135-0428-8802
型号查询
轴承型号   常见搜索: 7014轴承 6006轴承 2026轴承 6002轴承 71913轴承 6021轴承
型号查询 X

轴承专区

Bearings Center

16020 *轴承-SKF 16020 *轴承尺寸、图纸、价格

SKF 16020 *轴承

产品名称:16020 *轴承 品牌:SKF
类型:SKF轴承 > 滚动轴承 > 深沟球轴承
描述:16020 *轴承是【SKF轴承 > 滚动轴承 > 深沟球轴承】的型号,主要用在内燃机、空气压缩机、挖土机履带轮、大型农业机械、轧钢机辊道子、耕耘机、挤压机、啤酒、地基处理机械、数控设备等各大领域

 电话/微信:138-8949-5179

SKF 16020 *轴承详细信息

16020 *轴承是【SKF轴承 > 滚动轴承 > 深沟球轴承】的型号,主要用在内燃机、空气压缩机、挖土机履带轮、大型农业机械、轧钢机辊道子、耕耘机、挤压机、啤酒、地基处理机械、数控设备等各大领域。

SKF 16020 *轴承详细参数

深沟球轴承, 单列, 无密封件
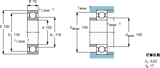
主要数据尺寸基本负荷额定值疲劳负荷限值额定速度体积型号
动态静态参照速度限制速度
dDBCC0Pu * - SKF Explorer 轴承
mmkNkNr/minkg-
1001501646,2441,73950056000,9116020 *

SKF 16020 *轴承尺寸图纸

李工:138-8949-5179

刘工:135-0428-8802

地址:辽宁省大连经济技术开发区现代城3栋-13-13号

在线客服系统