李工:138-8949-5179 刘工:135-0428-8802
型号查询
轴承型号   常见搜索: 6003轴承 32313轴承 6012轴承 6001轴承 6019轴承 6205轴承
型号查询 X

轴承专区

Bearings Center

FYR 2 H-3轴承-SKF FYR 2 H-3轴承尺寸、图纸、价格

SKF FYR 2 H-3轴承

产品名称:FYR 2 H-3轴承 品牌:SKF
类型:SKF轴承 > 轴承单元 > 法兰滚子轴承单元
描述:FYR 2 H-3轴承是【SKF轴承 > 轴承单元 > 法兰滚子轴承单元】的型号,主要用在农业机械、燃料喷射泵、中型及大型电动机、齿轮减速装置、木工机械、起重机吊钩、钢铁厂、陶瓷机械、强夯机、机场加油机等各大领域

 电话/微信:138-8949-5179

SKF FYR 2 H-3轴承详细信息

FYR 2 H-3轴承是【SKF轴承 > 轴承单元 > 法兰滚子轴承单元】的型号,主要用在农业机械、燃料喷射泵、中型及大型电动机、齿轮减速装置、木工机械、起重机吊钩、钢铁厂、陶瓷机械、强夯机、机场加油机等各大领域。

SKF FYR 2 H-3轴承详细参数

带法兰的滚子轴承单元, 锁定套,用于英制的轴, locating units, radial shaft seals
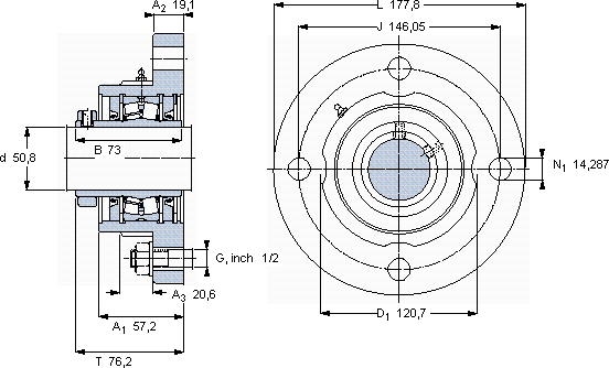
尺寸尺寸 [英寸]限制速度质量型号轴承,基本型号
动态静态
daA1JLTCC0
mmkNr/minkg--
50,857,2146,05177,876,284,510024004,76FYR 2 H-322210

SKF FYR 2 H-3轴承尺寸图纸

李工:138-8949-5179

刘工:135-0428-8802

地址:辽宁省大连经济技术开发区现代城3栋-13-13号

在线客服系统