李工:138-8949-5179 刘工:135-0428-8802
型号查询
轴承型号   常见搜索: 3214轴承 6019轴承 6304轴承 6909轴承 6007轴承 2025轴承
型号查询 X

轴承专区

Bearings Center

6208-2RZTN9/HC5C3WT轴承-SKF 6208-2RZTN9/HC5C3WT轴承尺寸、图纸、价格

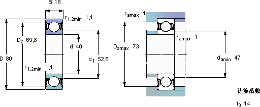
SKF 6208-2RZTN9/HC5C3WT轴承

产品名称:6208-2RZTN9/HC5C3WT轴承 品牌:SKF
类型:SKF轴承 > 滚动轴承 > 工程产品
描述:6208-2RZTN9/HC5C3WT轴承是【SKF轴承 > 滚动轴承 > 工程产品】的型号,主要用在飞机喷气式发动机、机床主轴、纺织机械传动轴、汽车、造纸机械、耕耘机、燃机、塑料、平地机、坦克等各大领域

 电话/微信:138-8949-5179

SKF 6208-2RZTN9/HC5C3WT轴承详细信息

6208-2RZTN9/HC5C3WT轴承是【SKF轴承 > 滚动轴承 > 工程产品】的型号,主要用在飞机喷气式发动机、机床主轴、纺织机械传动轴、汽车、造纸机械、耕耘机、燃机、塑料、平地机、坦克等各大领域。

SKF 6208-2RZTN9/HC5C3WT轴承详细参数

深沟球轴承, 单列陶瓷混合轴承, 低摩擦两面密封件
主要数据尺寸基本负荷额定值疲劳负荷限值额定速度体积型号
动态静态参照速度限制速度
dDBCC0Pu
mmkNkNr/minkg-
40801832,5190,824000160000,346208-2RZTN9/HC5C3WT

SKF 6208-2RZTN9/HC5C3WT轴承尺寸图纸

李工:138-8949-5179

刘工:135-0428-8802

地址:辽宁省大连经济技术开发区现代城3栋-13-13号

在线客服系统