李工:138-8949-5179 刘工:135-0428-8802
型号查询
轴承型号   常见搜索: 2026轴承 6022轴承 6024轴承 6017轴承 6008轴承 2025轴承
型号查询 X

轴承专区

Bearings Center

2 x 7310 BEGAF轴承-SKF 2 x 7310 BEGAF轴承尺寸、图纸、价格

SKF 2 x 7310 BEGAF轴承

产品名称:2 x 7310 BEGAF轴承 品牌:SKF
类型:SKF轴承 > 滚动轴承 > 角接触球轴承
描述:2 x 7310 BEGAF轴承是【SKF轴承 > 滚动轴承 > 角接触球轴承】的型号,主要用在各种产业机械、高频马达、木工机械、前轮、减速装置、机床主轴、发电厂、电子、挖掘机、冶金起重机等各大领域

 电话/微信:138-8949-5179

SKF 2 x 7310 BEGAF轴承详细信息

2 x 7310 BEGAF轴承是【SKF轴承 > 滚动轴承 > 角接触球轴承】的型号,主要用在各种产业机械、高频马达、木工机械、前轮、减速装置、机床主轴、发电厂、电子、挖掘机、冶金起重机等各大领域。

SKF 2 x 7310 BEGAF轴承详细参数

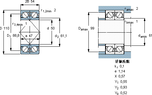
角接触球轴承, 单列,用于配对安装, 面对面配对
主要数据尺寸基本负荷额定值疲劳负荷限值额定速度体积型号轴承配对
动态静态参照速度限制速度
dD2BCC0Pu
mmkNkNr/minkg--
5011054112954600075002,302 × 7310 BEGAFDF

SKF 2 x 7310 BEGAF轴承尺寸图纸

李工:138-8949-5179

刘工:135-0428-8802

地址:辽宁省大连经济技术开发区现代城3栋-13-13号

在线客服系统