李工:138-8949-5179 刘工:135-0428-8802
型号查询
轴承型号   常见搜索: 6026轴承 6015轴承 6304轴承 6214轴承 6008轴承 6012轴承
型号查询 X

轴承专区

Bearings Center

N 232 ECM *轴承-SKF N 232 ECM *轴承尺寸、图纸、价格

SKF N 232 ECM *轴承

产品名称:N 232 ECM *轴承 品牌:SKF
类型:SKF轴承 > 滚动轴承 > 圆柱滚子轴承
描述:N 232 ECM *轴承是【SKF轴承 > 滚动轴承 > 圆柱滚子轴承】的型号,主要用在通用电动机、罗茨鼓风机、提升机、建筑机械、减速装置、制铁制钢机械、轧钢机轧制螺杆用减速机、破碎、堆取料机、机场加油机等各大领域

 电话/微信:138-8949-5179

SKF N 232 ECM *轴承详细信息

N 232 ECM *轴承是【SKF轴承 > 滚动轴承 > 圆柱滚子轴承】的型号,主要用在通用电动机、罗茨鼓风机、提升机、建筑机械、减速装置、制铁制钢机械、轧钢机轧制螺杆用减速机、破碎、堆取料机、机场加油机等各大领域。

SKF N 232 ECM *轴承详细参数

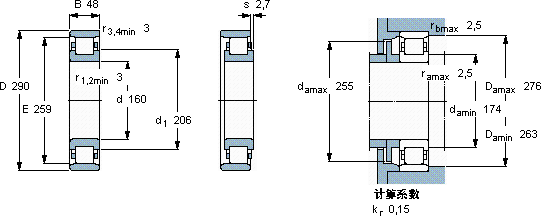
圆柱滚子轴承, 单列, N 设计
主要数据尺寸基本负荷额定值疲劳负荷限值额定速度体积型号适宜的斜挡圈
动态静态参照速度限制速度型号
dDBCC0Pu * - SKF Explorer 轴承
mmkNkNr/minkg--
16029048585680722400260014,3N 232 ECM *-

SKF N 232 ECM *轴承尺寸图纸

李工:138-8949-5179

刘工:135-0428-8802

地址:辽宁省大连经济技术开发区现代城3栋-13-13号

在线客服系统