李工:138-8949-5179 刘工:135-0428-8802
型号查询
轴承型号   常见搜索: 6011轴承 6012轴承 6024轴承 6014轴承 32313轴承 6007轴承
型号查询 X

轴承专区

Bearings Center

OH 39/630 H轴承-SKF OH 39/630 H轴承尺寸、图纸、价格

SKF OH 39/630 H轴承

产品名称:OH 39/630 H轴承 品牌:SKF
类型:SKF轴承 > 滚动轴承 > 轴承附件
描述:OH 39/630 H轴承是【SKF轴承 > 滚动轴承 > 轴承附件】的型号,主要用在家用电器、燃汽轮机、汽车发动机、后轮、铁路车辆车轴、石油钻机、塔吊、化纤机械、给料机械、雷达等各大领域

 电话/微信:138-8949-5179

SKF OH 39/630 H轴承详细信息

OH 39/630 H轴承是【SKF轴承 > 滚动轴承 > 轴承附件】的型号,主要用在家用电器、燃汽轮机、汽车发动机、后轮、铁路车辆车轴、石油钻机、塔吊、化纤机械、给料机械、雷达等各大领域。

SKF OH 39/630 H轴承详细参数

紧定套
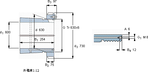
尺寸体积型号
紧定轴套带螺母锁定螺母锁定装置适宜的液压
d1dd3B1G和锁紧装置螺母
mmkg-
600630730254Tr 630x6124OH 39/630 HHM 30/630MS 30/630HMV 126 E

SKF OH 39/630 H轴承尺寸图纸

李工:138-8949-5179

刘工:135-0428-8802

地址:辽宁省大连经济技术开发区现代城3栋-13-13号

在线客服系统