李工:138-8949-5179 刘工:135-0428-8802
型号查询
轴承型号   常见搜索: 6022轴承 6020轴承 6016轴承 6028轴承 6906轴承 6014轴承
型号查询 X

轴承专区

Bearings Center

63/22轴承-SKF 63/22轴承尺寸、图纸、价格

SKF 63/22轴承

产品名称:63/22轴承 品牌:SKF
类型:SKF轴承 > 滚动轴承 > 深沟球轴承
描述:63/22轴承是【SKF轴承 > 滚动轴承 > 深沟球轴承】的型号,主要用在各种产业机械、各类变速器、泵、铁路车辆、减速装置、机床主轴、发电厂、烟草机械、挖掘机、塔式车库等各大领域

 电话/微信:138-8949-5179

SKF 63/22轴承详细信息

63/22轴承是【SKF轴承 > 滚动轴承 > 深沟球轴承】的型号,主要用在各种产业机械、各类变速器、泵、铁路车辆、减速装置、机床主轴、发电厂、烟草机械、挖掘机、塔式车库等各大领域。

SKF 63/22轴承详细参数

深沟球轴承, 单列, 无密封件
主要数据尺寸基本负荷额定值疲劳负荷限值额定速度体积型号
动态静态参照速度限制速度
dDBCC0Pu
mmkNkNr/minkg-
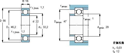
22561618,69,30,3928000180000,1863/22

SKF 63/22轴承尺寸图纸

李工:138-8949-5179

刘工:135-0428-8802

地址:辽宁省大连经济技术开发区现代城3栋-13-13号

在线客服系统