李工:138-8949-5179 刘工:135-0428-8802
型号查询
轴承型号   常见搜索: 6002轴承 6024轴承 6015轴承 6021轴承 6003轴承 6018轴承
型号查询 X

轴承专区

Bearings Center

NUP 2312 ECML *轴承-SKF NUP 2312 ECML *轴承尺寸、图纸、价格

SKF NUP 2312 ECML *轴承

产品名称:NUP 2312 ECML *轴承 品牌:SKF
类型:SKF轴承 > 滚动轴承 > 圆柱滚子轴承
描述:NUP 2312 ECML *轴承是【SKF轴承 > 滚动轴承 > 圆柱滚子轴承】的型号,主要用在燃汽轮机、印刷机械、纺织机械传动轴、轧钢机辊颈、减速装置、石油钻机转环、电机厂、音像设备、凿岩机械、数控设备等各大领域

 电话/微信:138-8949-5179

SKF NUP 2312 ECML *轴承详细信息

NUP 2312 ECML *轴承是【SKF轴承 > 滚动轴承 > 圆柱滚子轴承】的型号,主要用在燃汽轮机、印刷机械、纺织机械传动轴、轧钢机辊颈、减速装置、石油钻机转环、电机厂、音像设备、凿岩机械、数控设备等各大领域。

SKF NUP 2312 ECML *轴承详细参数

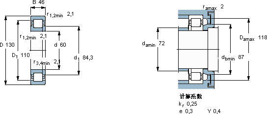
圆柱滚子轴承, 单列, NUP 设计
主要数据尺寸基本负荷额定值疲劳负荷限值额定速度体积型号适宜的斜挡圈
动态静态参照速度限制速度型号
dDBCC0Pu * - SKF Explorer 轴承
mmkNkNr/minkg--
601304626026534,55600100002,85NUP 2312 ECML *-

SKF NUP 2312 ECML *轴承尺寸图纸

李工:138-8949-5179

刘工:135-0428-8802

地址:辽宁省大连经济技术开发区现代城3栋-13-13号

在线客服系统