李工:138-8949-5179 刘工:135-0428-8802
型号查询
轴承型号   常见搜索: 6309轴承 2026轴承 6305轴承 6010轴承 6021轴承 6009轴承
型号查询 X

轴承专区

Bearings Center

2 x 7236 BCAM轴承-SKF 2 x 7236 BCAM轴承尺寸、图纸、价格

SKF 2 x 7236 BCAM轴承

产品名称:2 x 7236 BCAM轴承 品牌:SKF
类型:SKF轴承 > 滚动轴承 > 角接触球轴承
描述:2 x 7236 BCAM轴承是【SKF轴承 > 滚动轴承 > 角接触球轴承】的型号,主要用在飞机喷气式发动机、小型汽车前轮、桥式起重机、差速器、木工机械、汽车转向销、燃机、饮料设备、土方机械、厨具设备等各大领域

 电话/微信:138-8949-5179

SKF 2 x 7236 BCAM轴承详细信息

2 x 7236 BCAM轴承是【SKF轴承 > 滚动轴承 > 角接触球轴承】的型号,主要用在飞机喷气式发动机、小型汽车前轮、桥式起重机、差速器、木工机械、汽车转向销、燃机、饮料设备、土方机械、厨具设备等各大领域。

SKF 2 x 7236 BCAM轴承详细参数

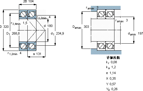
角接触球轴承, 单列,用于配对安装, 前后配对
主要数据尺寸基本负荷额定值疲劳负荷限值额定速度体积型号轴承配对
动态静态参照速度限制速度
dD2BCC0Pu
mmkNkNr/minkg--
180320104475750201800240035,22 × 7236 BCAMDT

SKF 2 x 7236 BCAM轴承尺寸图纸

李工:138-8949-5179

刘工:135-0428-8802

地址:辽宁省大连经济技术开发区现代城3栋-13-13号

在线客服系统