轴承专区
Bearings Center
4312 ATN9轴承-SKF 4312 ATN9轴承尺寸、图纸、价格
SKF 4312 ATN9轴承
| 产品名称: | 4312 ATN9轴承 | 品牌: | SKF |
|---|---|---|---|
| 类型: | SKF轴承 > 滚动轴承 > 深沟球轴承 | ||
| 描述: | 4312 ATN9轴承是【SKF轴承 > 滚动轴承 > 深沟球轴承】的型号,主要用在装卸搬运机械、印刷机械、木工机械、轧钢机辊颈、减速装置、制铁制钢机械、矿山、玩具、起重机械、风力发电设备等各大领域 | ||
电话/微信:138-8949-5179
SKF 4312 ATN9轴承详细信息
4312 ATN9轴承是【SKF轴承 > 滚动轴承 > 深沟球轴承】的型号,主要用在装卸搬运机械、印刷机械、木工机械、轧钢机辊颈、减速装置、制铁制钢机械、矿山、玩具、起重机械、风力发电设备等各大领域。
SKF 4312 ATN9轴承详细参数
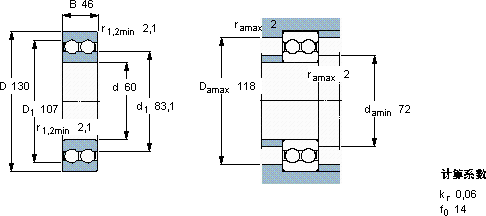
| 深沟球轴承, 双列 | ||||||||||
| 主要数据尺寸 | 尺寸 [英寸] | 疲劳负荷限值 | 额定速度 | 体积 | 型号 | |||||
| 动态 | 静态 | 参照速度 | 限制速度 | |||||||
| d | D | B | C | C0 | Pu | |||||
| mm | kN | kN | r/min | kg | - | |||||
| 60 | 130 | 46 | 112 | 98 | 4,15 | 8500 | 4500 | 2,65 | 4312 ATN9 | |
SKF 4312 ATN9轴承尺寸图纸

