李工:138-8949-5179 刘工:135-0428-8802
型号查询
轴承型号   常见搜索: 6900轴承 2025轴承 6024轴承 6014轴承 6021轴承 6016轴承
型号查询 X

轴承专区

Bearings Center

2 x 7319 BEGAM *轴承-SKF 2 x 7319 BEGAM *轴承尺寸、图纸、价格

SKF 2 x 7319 BEGAM *轴承

产品名称:2 x 7319 BEGAM *轴承 品牌:SKF
类型:SKF轴承 > 滚动轴承 > 角接触球轴承
描述:2 x 7319 BEGAM *轴承是【SKF轴承 > 滚动轴承 > 角接触球轴承】的型号,主要用在铁路车辆、机床主轴、泵、汽车、振动筛、耕耘机、冶炼厂、烟草机械、平地机、机械手等各大领域

 电话/微信:138-8949-5179

SKF 2 x 7319 BEGAM *轴承详细信息

2 x 7319 BEGAM *轴承是【SKF轴承 > 滚动轴承 > 角接触球轴承】的型号,主要用在铁路车辆、机床主轴、泵、汽车、振动筛、耕耘机、冶炼厂、烟草机械、平地机、机械手等各大领域。

SKF 2 x 7319 BEGAM *轴承详细参数

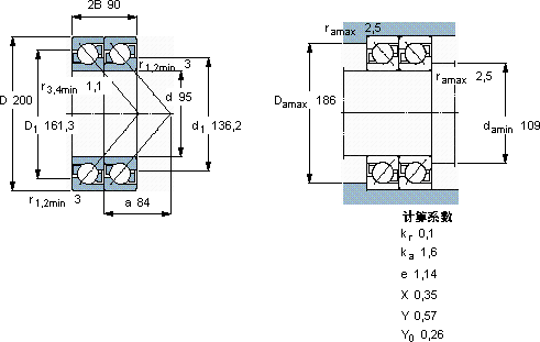
角接触球轴承, 单列,用于配对安装, 前后配对
主要数据尺寸基本负荷额定值疲劳负荷限值额定速度体积型号轴承配对
动态静态参照速度限制速度
dD2BCC0Pu * - SKF Explorer 轴承
mmkNkNr/minkg--
952009036032511,43400430012,82 × 7319 BEGAM *DT

SKF 2 x 7319 BEGAM *轴承尺寸图纸

李工:138-8949-5179

刘工:135-0428-8802

地址:辽宁省大连经济技术开发区现代城3栋-13-13号

在线客服系统