轴承专区
Bearings Center
FYT 2.3/16 TF/VA201轴承-SKF FYT 2.3/16 TF/VA201轴承尺寸、图纸、价格
SKF FYT 2.3/16 TF/VA201轴承
| 产品名称: | FYT 2.3/16 TF/VA201轴承 | 品牌: | SKF |
|---|---|---|---|
| 类型: | SKF轴承 > 滚动轴承 > 工程产品 | ||
| 描述: | FYT 2.3/16 TF/VA201轴承是【SKF轴承 > 滚动轴承 > 工程产品】的型号,主要用在电气装置部件、燃料喷射泵、木工机械、齿轮减速装置、木工机械、起重机吊钩、船舶用螺旋桨轴、制鞋、专用车、伽玛等各大领域 | ||
电话/微信:138-8949-5179
SKF FYT 2.3/16 TF/VA201轴承详细信息
FYT 2.3/16 TF/VA201轴承是【SKF轴承 > 滚动轴承 > 工程产品】的型号,主要用在电气装置部件、燃料喷射泵、木工机械、齿轮减速装置、木工机械、起重机吊钩、船舶用螺旋桨轴、制鞋、专用车、伽玛等各大领域。
SKF FYT 2.3/16 TF/VA201轴承详细参数
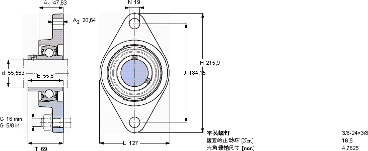
| 用于高温的Y-轴承单元,带法兰单元,椭圆轴承座, 英制轴承 | ||||||||||
| 尺寸 | 基本负荷额定值 | 质量 | 型号 | |||||||
| 静态 | 轴承单元 | 轴承座 | 轴承 | |||||||
| d | A1 | J | H | T | C0 | |||||
| mm | kN | kg | - | |||||||
| 55,563 | 47,63 | 184,15 | 127 | 69 | 29 | 2,81 | FYT 2.3/16 TF/VA201 | FYT 511 U/VA228 | YAR 211-203-2FW/VA201 | |
SKF FYT 2.3/16 TF/VA201轴承尺寸图纸

