李工:138-8949-5179 刘工:135-0428-8802
型号查询
轴承型号   常见搜索: 6006轴承 6214轴承 6003轴承 6909轴承 6205轴承 6015轴承
型号查询 X

轴承专区

Bearings Center

98204 Y轴承-SKF 98204 Y轴承尺寸、图纸、价格

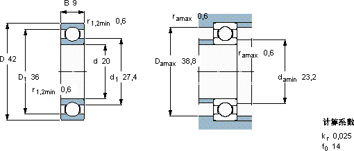
SKF 98204 Y轴承

产品名称:98204 Y轴承 品牌:SKF
类型:SKF轴承 > 滚动轴承 > 深沟球轴承
描述:98204 Y轴承是【SKF轴承 > 滚动轴承 > 深沟球轴承】的型号,主要用在装卸搬运机械、离心分离机、燃汽轮机、变速器、减速装置、制铁制钢机械、矿山、破碎、堆取料机、摩天轮等各大领域

 电话/微信:138-8949-5179

SKF 98204 Y轴承详细信息

98204 Y轴承是【SKF轴承 > 滚动轴承 > 深沟球轴承】的型号,主要用在装卸搬运机械、离心分离机、燃汽轮机、变速器、减速装置、制铁制钢机械、矿山、破碎、堆取料机、摩天轮等各大领域。

SKF 98204 Y轴承详细参数

深沟球轴承, 单列, 无密封件
主要数据尺寸基本负荷额定值疲劳负荷限值额定速度体积型号
动态静态参照速度限制速度
dDBCC0Pu
mmkNkNr/minkg-
204297,934,50,1938000240000,05198204 Y

SKF 98204 Y轴承尺寸图纸

李工:138-8949-5179

刘工:135-0428-8802

地址:辽宁省大连经济技术开发区现代城3栋-13-13号

在线客服系统