轴承专区
Bearings Center
SYNT 80 FTS轴承-SKF SYNT 80 FTS轴承尺寸、图纸、价格
SKF SYNT 80 FTS轴承
| 产品名称: | SYNT 80 FTS轴承 | 品牌: | SKF |
|---|---|---|---|
| 类型: | SKF轴承 > 轴承单元 > 座式滚子轴承单元 | ||
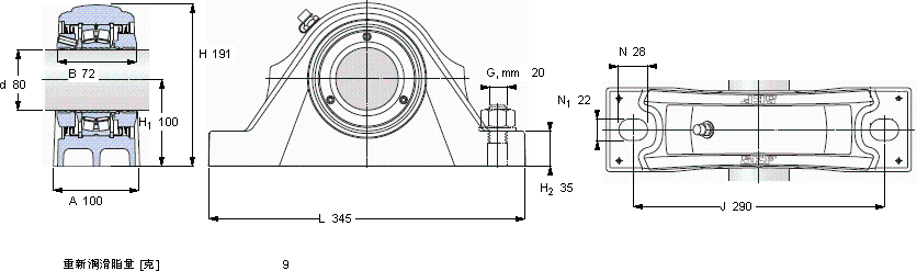
| 描述: | SYNT 80 FTS轴承是【SKF轴承 > 轴承单元 > 座式滚子轴承单元】的型号,主要用在后轮、燃料喷射泵、变速器、齿轮减速装置、造纸机械、起重机吊钩、水力发电机、破碎、强夯机、泥炮等各大领域 | ||
电话/微信:138-8949-5179
SKF SYNT 80 FTS轴承详细信息
SYNT 80 FTS轴承是【SKF轴承 > 轴承单元 > 座式滚子轴承单元】的型号,主要用在后轮、燃料喷射泵、变速器、齿轮减速装置、造纸机械、起重机吊钩、水力发电机、破碎、强夯机、泥炮等各大领域。
SKF SYNT 80 FTS轴承详细参数
| 滚子轴承立式轴承座单元, SKF ConCentra, locating units, labyrinth seals | ||||||||||||
| 尺寸 | 尺寸 [英寸] | 疲劳负荷限值 | 限制速度 | 体积 | 型号 | 轴承,基本型号 | ||||||
| 动态 | 静态 | |||||||||||
| da | A | H | H1 | L | C | C0 | Pu | |||||
| mm | kN | kN | r/min | kg | - | - | ||||||
| 80 | 100 | 191 | 100 | 345 | 236 | 270 | 29 | 3100 | 20 | SYNT 80 FTS | 22216 E | |
SKF SYNT 80 FTS轴承尺寸图纸

