李工:138-8949-5179 刘工:135-0428-8802
型号查询
轴承型号   常见搜索: 6909轴承 617轴承 6007轴承 6028轴承 6309轴承 23136轴承
型号查询 X

轴承专区

Bearings Center

24132 CCK30/W33 + AH 24132 *轴承-SKF 24132 CCK30/W33 + AH 24132 *轴承尺寸、图纸、价格

SKF 24132 CCK30/W33 + AH 24132 *轴承

产品名称:24132 CCK30/W33 + AH 24132 *轴承 品牌:SKF
类型:SKF轴承 > 滚动轴承 > 球面滚子轴承
描述:24132 CCK30/W33 + AH 24132 *轴承是【SKF轴承 > 滚动轴承 > 球面滚子轴承】的型号,主要用在电气装置部件、燃料喷射泵、压缩机、齿轮减速装置、造纸机械、石油钻机、船舶用螺旋桨轴、饮料设备、给料机械、伽玛等各大领域

 电话/微信:138-8949-5179

SKF 24132 CCK30/W33 + AH 24132 *轴承详细信息

24132 CCK30/W33 + AH 24132 *轴承是【SKF轴承 > 滚动轴承 > 球面滚子轴承】的型号,主要用在电气装置部件、燃料喷射泵、压缩机、齿轮减速装置、造纸机械、石油钻机、船舶用螺旋桨轴、饮料设备、给料机械、伽玛等各大领域。

SKF 24132 CCK30/W33 + AH 24132 *轴承详细参数

球面滚子轴承, 带退卸套的
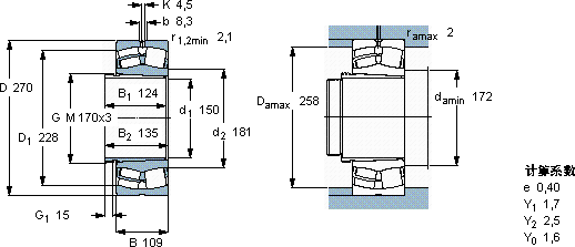
主要数据尺寸基本负荷额定值疲劳负荷限值额定速度体积型号
动态静态参照速度限制速度轴承 +退卸套
d1DBCC0Pu
* - SKF Explorer 轴承
mmkNkNr/minkg-
150270109118017601631400190028,524132 CCK30/W33 + AH 24132 *

SKF 24132 CCK30/W33 + AH 24132 *轴承尺寸图纸

李工:138-8949-5179

刘工:135-0428-8802

地址:辽宁省大连经济技术开发区现代城3栋-13-13号

在线客服系统