李工:138-8949-5179 刘工:135-0428-8802
型号查询
轴承型号   常见搜索: *轴承 6028轴承 6009轴承 6021轴承 6002轴承 6026轴承
型号查询 X

轴承专区

Bearings Center

SYJ 40 TF轴承-SKF SYJ 40 TF轴承尺寸、图纸、价格

SKF SYJ 40 TF轴承

产品名称:SYJ 40 TF轴承 品牌:SKF
类型:SKF轴承 > 轴承单元 > Y-轴承座单元
描述:SYJ 40 TF轴承是【SKF轴承 > 轴承单元 > Y-轴承座单元】的型号,主要用在内燃机、小型汽车前轮、提升机、差速器、振动筛、耕耘机、挤压机、音像设备、地基处理机械、码垛机器人等各大领域

 电话/微信:138-8949-5179

SKF SYJ 40 TF轴承详细信息

SYJ 40 TF轴承是【SKF轴承 > 轴承单元 > Y-轴承座单元】的型号,主要用在内燃机、小型汽车前轮、提升机、差速器、振动筛、耕耘机、挤压机、音像设备、地基处理机械、码垛机器人等各大领域。

SKF SYJ 40 TF轴承详细参数

Y-型立式轴承座单元, 铸造轴承座,平头螺钉锁紧定, 公制轴承
尺寸基本负荷额定值限制速度质量型号
动态静态轴承单元轴承座轴承
dAHH1LCC0带轴公差 h6
mmkNr/minkg-
40499949,218430,71948001,85SYJ 40 TFSYJ 508YAR 208-2F

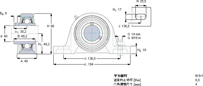
SKF SYJ 40 TF轴承尺寸图纸

李工:138-8949-5179

刘工:135-0428-8802

地址:辽宁省大连经济技术开发区现代城3栋-13-13号

在线客服系统