李工:138-8949-5179 刘工:135-0428-8802
型号查询
轴承型号   常见搜索: 6026轴承 688a轴承 6002轴承 71913轴承 6006轴承 *轴承
型号查询 X

轴承专区

Bearings Center

2 x 7336 BCBM轴承-SKF 2 x 7336 BCBM轴承尺寸、图纸、价格

SKF 2 x 7336 BCBM轴承

产品名称:2 x 7336 BCBM轴承 品牌:SKF
类型:SKF轴承 > 滚动轴承 > 角接触球轴承
描述:2 x 7336 BCBM轴承是【SKF轴承 > 滚动轴承 > 角接触球轴承】的型号,主要用在家用电器、燃料喷射泵、燃汽轮机、齿轮减速装置、轧钢机辊道子、起重机吊钩、塔吊、化纤机械、强夯机、冶金起重机等各大领域

 电话/微信:138-8949-5179

SKF 2 x 7336 BCBM轴承详细信息

2 x 7336 BCBM轴承是【SKF轴承 > 滚动轴承 > 角接触球轴承】的型号,主要用在家用电器、燃料喷射泵、燃汽轮机、齿轮减速装置、轧钢机辊道子、起重机吊钩、塔吊、化纤机械、强夯机、冶金起重机等各大领域。

SKF 2 x 7336 BCBM轴承详细参数

角接触球轴承, 单列,用于配对安装, 前后配对
主要数据尺寸基本负荷额定值疲劳负荷限值额定速度体积型号轴承配对
动态静态参照速度限制速度
dD2BCC0Pu
mmkNkNr/minkg--
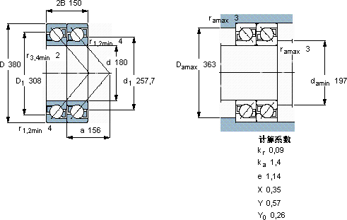
180380150676108027,51600200080,02 × 7336 BCBMDT

SKF 2 x 7336 BCBM轴承尺寸图纸

李工:138-8949-5179

刘工:135-0428-8802

地址:辽宁省大连经济技术开发区现代城3栋-13-13号

在线客服系统