轴承专区
Bearings Center
2313 K + H 2313轴承-SKF 2313 K + H 2313轴承尺寸、图纸、价格
SKF 2313 K + H 2313轴承
| 产品名称: | 2313 K + H 2313轴承 | 品牌: | SKF |
|---|---|---|---|
| 类型: | SKF轴承 > 滚动轴承 > 自调心球轴承 | ||
| 描述: | 2313 K + H 2313轴承是【SKF轴承 > 滚动轴承 > 自调心球轴承】的型号,主要用在农业机械、燃汽轮机、燃汽轮机、后轮、振动筛、起重机吊钩、钢铁厂、塑料、强夯机、刮泥机等各大领域 | ||
电话/微信:138-8949-5179
SKF 2313 K + H 2313轴承详细信息
2313 K + H 2313轴承是【SKF轴承 > 滚动轴承 > 自调心球轴承】的型号,主要用在农业机械、燃汽轮机、燃汽轮机、后轮、振动筛、起重机吊钩、钢铁厂、塑料、强夯机、刮泥机等各大领域。
SKF 2313 K + H 2313轴承详细参数
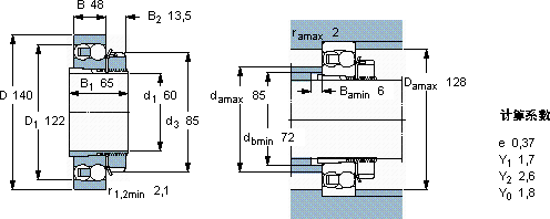
| 自调心球轴承, 带紧定套, 无密封件 | ||||||||||
| 主要数据尺寸 | 基本负荷额定值 | 疲劳负荷限值 | 额定速度 | 体积 | 型号 | |||||
| 动态 | 静态 | 参照速度 | 限制速度 | 轴承 + 紧定套 | ||||||
| d1 | D | B | C | C0 | Pu | |||||
| mm | kN | kN | r/min | kg | - | |||||
| 60 | 140 | 48 | 95,6 | 32,5 | 1,66 | 9000 | 6300 | 3,60 | 2313 K + H 2313 | |
SKF 2313 K + H 2313轴承尺寸图纸

