李工:138-8949-5179 刘工:135-0428-8802
型号查询
轴承型号   常见搜索: 6018轴承 6214轴承 6019轴承 *轴承 6900轴承 6304轴承
型号查询 X

轴承专区

Bearings Center

6344 M轴承-SKF 6344 M轴承尺寸、图纸、价格

SKF 6344 M轴承

产品名称:6344 M轴承 品牌:SKF
类型:SKF轴承 > 滚动轴承 > 深沟球轴承
描述:6344 M轴承是【SKF轴承 > 滚动轴承 > 深沟球轴承】的型号,主要用在通用电动机、高频马达、发电机、前轮、减速装置、机床等的变速装置、轧钢机轧制螺杆用减速机、饮料设备、压路机、机场加油机等各大领域

 电话/微信:138-8949-5179

SKF 6344 M轴承详细信息

6344 M轴承是【SKF轴承 > 滚动轴承 > 深沟球轴承】的型号,主要用在通用电动机、高频马达、发电机、前轮、减速装置、机床等的变速装置、轧钢机轧制螺杆用减速机、饮料设备、压路机、机场加油机等各大领域。

SKF 6344 M轴承详细参数

深沟球轴承, 单列, 无密封件
主要数据尺寸基本负荷额定值疲劳负荷限值额定速度体积型号
动态静态参照速度限制速度
dDBCC0Pu
mmkNkNr/minkg-
22046088410520123000260072,56344 M

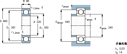
SKF 6344 M轴承尺寸图纸

李工:138-8949-5179

刘工:135-0428-8802

地址:辽宁省大连经济技术开发区现代城3栋-13-13号

在线客服系统