李工:138-8949-5179 刘工:135-0428-8802
型号查询
轴承型号   常见搜索: 6205轴承 6309轴承 6028轴承 6900轴承 617轴承 23136轴承
型号查询 X

轴承专区

Bearings Center

BT2B 332497/HA4轴承-SKF BT2B 332497/HA4轴承尺寸、图纸、价格

SKF BT2B 332497/HA4轴承

产品名称:BT2B 332497/HA4轴承 品牌:SKF
类型:SKF轴承 > 滚动轴承 > 圆锥滚子轴承
描述:BT2B 332497/HA4轴承是【SKF轴承 > 滚动轴承 > 圆锥滚子轴承】的型号,主要用在装卸搬运机械、各类变速器、压缩机、铁路车辆、减速装置、机床主轴、矿山、塑料、混凝土机械、摩天轮等各大领域

 电话/微信:138-8949-5179

SKF BT2B 332497/HA4轴承详细信息

BT2B 332497/HA4轴承是【SKF轴承 > 滚动轴承 > 圆锥滚子轴承】的型号,主要用在装卸搬运机械、各类变速器、压缩机、铁路车辆、减速装置、机床主轴、矿山、塑料、混凝土机械、摩天轮等各大领域。

SKF BT2B 332497/HA4轴承详细参数

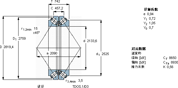
圆锥滚子轴承, 双列,TDO结构, TDOS.1/D31
主要数据尺寸基本负荷额定值疲劳负荷限值体积型号
动态静态
dDTCCC0Pu
mmkNkNkg-
2133,62819,4742457,234700108000500011600BT2B 332497/HA4

SKF BT2B 332497/HA4轴承尺寸图纸

李工:138-8949-5179

刘工:135-0428-8802

地址:辽宁省大连经济技术开发区现代城3栋-13-13号

在线客服系统