李工:138-8949-5179 刘工:135-0428-8802
型号查询
轴承型号   常见搜索: 6309轴承 3214轴承 6900轴承 6006轴承 6020轴承 617轴承
型号查询 X

轴承专区

Bearings Center

QJ 236 N2MA *轴承-SKF QJ 236 N2MA *轴承尺寸、图纸、价格

SKF QJ 236 N2MA *轴承

产品名称:QJ 236 N2MA *轴承 品牌:SKF
类型:SKF轴承 > 滚动轴承 > 角接触球轴承
描述:QJ 236 N2MA *轴承是【SKF轴承 > 滚动轴承 > 角接触球轴承】的型号,主要用在后轮、空气压缩机、桥式起重机、大型农业机械、木工机械、汽车转向销、水力发电机、电子、掘进机、焊接机器人等各大领域

 电话/微信:138-8949-5179

SKF QJ 236 N2MA *轴承详细信息

QJ 236 N2MA *轴承是【SKF轴承 > 滚动轴承 > 角接触球轴承】的型号,主要用在后轮、空气压缩机、桥式起重机、大型农业机械、木工机械、汽车转向销、水力发电机、电子、掘进机、焊接机器人等各大领域。

SKF QJ 236 N2MA *轴承详细参数

角接触球轴承, 四点接触球轴承
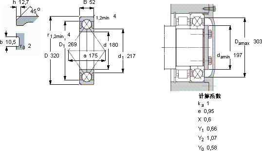
主要数据尺寸基本负荷额定值疲劳负荷限值额定速度体积型号
动态静态参照速度限制速度
dDBCC0Pu * - SKF Explorer 轴承
mmkNkNr/minkg-
1803205247576520,82400340020,5QJ 236 N2MA *

SKF QJ 236 N2MA *轴承尺寸图纸

李工:138-8949-5179

刘工:135-0428-8802

地址:辽宁省大连经济技术开发区现代城3栋-13-13号

在线客服系统