李工:138-8949-5179 刘工:135-0428-8802
型号查询
轴承型号   常见搜索: 6304轴承 6021轴承 6002轴承 6026轴承 6019轴承 32313轴承
型号查询 X

轴承专区

Bearings Center

22318 EK + H 2318 *轴承-SKF 22318 EK + H 2318 *轴承尺寸、图纸、价格

SKF 22318 EK + H 2318 *轴承

产品名称:22318 EK + H 2318 *轴承 品牌:SKF
类型:SKF轴承 > 滚动轴承 > 球面滚子轴承
描述:22318 EK + H 2318 *轴承是【SKF轴承 > 滚动轴承 > 球面滚子轴承】的型号,主要用在后轮、空气压缩机、减速装置、大型农业机械、振动筛、耕耘机、水力发电机、医药设备、地基处理机械、焊接机器人等各大领域

 电话/微信:138-8949-5179

SKF 22318 EK + H 2318 *轴承详细信息

22318 EK + H 2318 *轴承是【SKF轴承 > 滚动轴承 > 球面滚子轴承】的型号,主要用在后轮、空气压缩机、减速装置、大型农业机械、振动筛、耕耘机、水力发电机、医药设备、地基处理机械、焊接机器人等各大领域。

SKF 22318 EK + H 2318 *轴承详细参数

球面滚子轴承, 带紧定套的
主要数据尺寸基本负荷额定值疲劳负荷限值额定速度体积型号
动态静态参照速度限制速度轴承 + 紧定套
d1DBCC0Pu
* - SKF Explorer 轴承
mmkNkNr/minkg-
8019064610695672600360010,522318 EK + H 2318 *

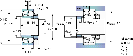
SKF 22318 EK + H 2318 *轴承尺寸图纸

李工:138-8949-5179

刘工:135-0428-8802

地址:辽宁省大连经济技术开发区现代城3栋-13-13号

在线客服系统