轴承专区
Bearings Center
304203轴承-SKF 304203轴承尺寸、图纸、价格
SKF 304203轴承
| 产品名称: | 304203轴承 | 品牌: | SKF |
|---|---|---|---|
| 类型: | SKF轴承 > 滚动轴承 > 深沟球轴承 | ||
| 描述: | 304203轴承是【SKF轴承 > 滚动轴承 > 深沟球轴承】的型号,主要用在电气装置部件、油泵、中型及大型电动机、机床主轴、振动筛、起重机吊钩、船舶用螺旋桨轴、医药设备、强夯机、摩天轮等各大领域 | ||
电话/微信:138-8949-5179
SKF 304203轴承详细信息
304203轴承是【SKF轴承 > 滚动轴承 > 深沟球轴承】的型号,主要用在电气装置部件、油泵、中型及大型电动机、机床主轴、振动筛、起重机吊钩、船舶用螺旋桨轴、医药设备、强夯机、摩天轮等各大领域。
SKF 304203轴承详细参数
| 深沟球轴承, 单列,带装球缺口,不带保持架 | ||||||
| 主要数据尺寸 | 基本负荷额定值 | 体积 | 型号 | |||
| 静态 | ||||||
| d | D | B | C0 | |||
| mm | kN | kg | - | |||
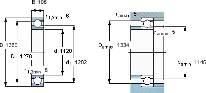
| 1120 | 1360 | 106 | 4300 | 295 | 304203 | |
SKF 304203轴承尺寸图纸

