轴承专区
Bearings Center
361203 R轴承-SKF 361203 R轴承尺寸、图纸、价格
SKF 361203 R轴承
| 产品名称: | 361203 R轴承 | 品牌: | SKF |
|---|---|---|---|
| 类型: | SKF轴承 > 滚动轴承 > 滚轮轴承 | ||
| 描述: | 361203 R轴承是【SKF轴承 > 滚动轴承 > 滚轮轴承】的型号,主要用在飞机喷气式发动机、小型汽车前轮、减速装置、差速器、铁路车辆车轴、汽车转向销、燃机、陶瓷机械、土方机械、厨具设备等各大领域 | ||
电话/微信:138-8949-5179
SKF 361203 R轴承详细信息
361203 R轴承是【SKF轴承 > 滚动轴承 > 滚轮轴承】的型号,主要用在飞机喷气式发动机、小型汽车前轮、减速装置、差速器、铁路车辆车轴、汽车转向销、燃机、陶瓷机械、土方机械、厨具设备等各大领域。
SKF 361203 R轴承详细参数
| 凸轮滚柱 | |||||||||||
| 尺寸 | 基本负荷额定值 | 疲劳限值 | 最大径向负荷 | 限制速度 | 体积 | 型号 | |||||
| 动态 | 静态 | 动态 | 静态 | ||||||||
| D | d | B | C | C0 | Pu | Fr | F0r | ||||
| mm | kN | kN | kN | r/min | kg | - | |||||
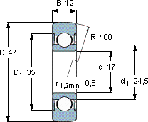
| 47 | 17 | 12 | 8,84 | 4,15 | 0,176 | 8,15 | 11,6 | 8500 | 0,11 | 361203 R | |
SKF 361203 R轴承尺寸图纸

