李工:138-8949-5179 刘工:135-0428-8802
型号查询
轴承型号   常见搜索: 6019轴承 6026轴承 6024轴承 6900轴承 6205轴承 6022轴承
型号查询 X

轴承专区

Bearings Center

NJ 2217 ECM *轴承-SKF NJ 2217 ECM *轴承尺寸、图纸、价格

SKF NJ 2217 ECM *轴承

产品名称:NJ 2217 ECM *轴承 品牌:SKF
类型:SKF轴承 > 滚动轴承 > 圆柱滚子轴承
描述:NJ 2217 ECM *轴承是【SKF轴承 > 滚动轴承 > 圆柱滚子轴承】的型号,主要用在建筑机械、高频马达、桥式起重机、前轮、各类产业用减速机、机床主轴、成形机、玩具、挖掘机、泥炮等各大领域

 电话/微信:138-8949-5179

SKF NJ 2217 ECM *轴承详细信息

NJ 2217 ECM *轴承是【SKF轴承 > 滚动轴承 > 圆柱滚子轴承】的型号,主要用在建筑机械、高频马达、桥式起重机、前轮、各类产业用减速机、机床主轴、成形机、玩具、挖掘机、泥炮等各大领域。

SKF NJ 2217 ECM *轴承详细参数

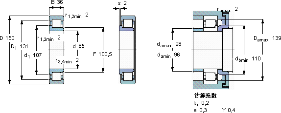
圆柱滚子轴承, 单列, NJ 设计
主要数据尺寸基本负荷额定值疲劳负荷限值额定速度体积型号适宜的斜挡圈
动态静态参照速度限制速度型号
dDBCC0Pu * - SKF Explorer 轴承
mmkNkNr/minkg--
851503625028034,5480053002,55NJ 2217 ECM *-

SKF NJ 2217 ECM *轴承尺寸图纸

李工:138-8949-5179

刘工:135-0428-8802

地址:辽宁省大连经济技术开发区现代城3栋-13-13号

在线客服系统