轴承专区
Bearings Center
BA1B 307742轴承-SKF BA1B 307742轴承尺寸、图纸、价格
SKF BA1B 307742轴承
| 产品名称: | BA1B 307742轴承 | 品牌: | SKF |
|---|---|---|---|
| 类型: | SKF轴承 > 滚动轴承 > 角接触推力球轴承 | ||
| 描述: | BA1B 307742轴承是【SKF轴承 > 滚动轴承 > 角接触推力球轴承】的型号,主要用在内燃机、油泵、燃汽轮机、机床主轴、铁路车辆车轴、起重机吊钩、挤压机、饮料设备、强夯机、抓钢机等各大领域 | ||
电话/微信:138-8949-5179
SKF BA1B 307742轴承详细信息
BA1B 307742轴承是【SKF轴承 > 滚动轴承 > 角接触推力球轴承】的型号,主要用在内燃机、油泵、燃汽轮机、机床主轴、铁路车辆车轴、起重机吊钩、挤压机、饮料设备、强夯机、抓钢机等各大领域。
SKF BA1B 307742轴承详细参数
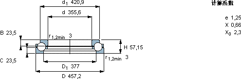
| 角接触推力球轴承, 单向 | |||||||||
| 主要数据尺寸 | 基本负荷额定值 | 疲劳负荷限值 | 最小负荷系数 | 体积 | 型号 | ||||
| 动态 | 静态 | ||||||||
| d | D | H | C | C0 | Pu | A | |||
| mm | kN | kN | - | kg | - | ||||
| 355,6 | 457,2 | 57,15 | 365 | 1290 | 27,5 | 5,5 | 22,0 | BA1B 307742 | |
SKF BA1B 307742轴承尺寸图纸

