李工:138-8949-5179 刘工:135-0428-8802
型号查询
轴承型号   常见搜索: 23136轴承 6900轴承 32313轴承 6019轴承 6028轴承 6906轴承
型号查询 X

轴承专区

Bearings Center

HMV 10E轴承-SKF HMV 10E轴承尺寸、图纸、价格

SKF HMV 10E轴承

产品名称:HMV 10E轴承 品牌:SKF
类型:SKF轴承 > 滚动轴承 > 轴承附件
描述:HMV 10E轴承是【SKF轴承 > 滚动轴承 > 轴承附件】的型号,主要用在建筑机械、各类变速器、提升机、铁路车辆、轧钢机齿轮箱座、机床等的变速装置、成形机、塑料、压路机、港口起重机等各大领域

 电话/微信:138-8949-5179

SKF HMV 10E轴承详细信息

HMV 10E轴承是【SKF轴承 > 滚动轴承 > 轴承附件】的型号,主要用在建筑机械、各类变速器、提升机、铁路车辆、轧钢机齿轮箱座、机床等的变速装置、成形机、塑料、压路机、港口起重机等各大领域。

SKF HMV 10E轴承详细参数

Hydraulic nuts, metric sizes
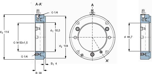
螺纹尺寸尺寸PermittedPiston area体积型号
piston
Gd1d2d3BB1displacement
mmmm (metric sizes)mmmmmm2 (metric sizes)kg-
in - threads/in (inch sizes)in2 (inch sizes)
50M 50x1,550,5104114384529002,70HMV 10EHMV 10E/A101

SKF HMV 10E轴承尺寸图纸

李工:138-8949-5179

刘工:135-0428-8802

地址:辽宁省大连经济技术开发区现代城3栋-13-13号

在线客服系统