李工:138-8949-5179 刘工:135-0428-8802
型号查询
轴承型号   常见搜索: 6009轴承 6013轴承 688a轴承 23136轴承 *轴承 6304轴承
型号查询 X

轴承专区

Bearings Center

22334 CCK/W33 + AH 2334 G *轴承-SKF 22334 CCK/W33 + AH 2334 G *轴承尺寸、图纸、价格

SKF 22334 CCK/W33 + AH 2334 G *轴承

产品名称:22334 CCK/W33 + AH 2334 G *轴承 品牌:SKF
类型:SKF轴承 > 滚动轴承 > 球面滚子轴承
描述:22334 CCK/W33 + AH 2334 G *轴承是【SKF轴承 > 滚动轴承 > 球面滚子轴承】的型号,主要用在飞机喷气式发动机、空气压缩机、挖土机履带轮、大型农业机械、造纸机械、耕耘机、燃机、电子、平地机、钢包回转台等各大领域

 电话/微信:138-8949-5179

SKF 22334 CCK/W33 + AH 2334 G *轴承详细信息

22334 CCK/W33 + AH 2334 G *轴承是【SKF轴承 > 滚动轴承 > 球面滚子轴承】的型号,主要用在飞机喷气式发动机、空气压缩机、挖土机履带轮、大型农业机械、造纸机械、耕耘机、燃机、电子、平地机、钢包回转台等各大领域。

SKF 22334 CCK/W33 + AH 2334 G *轴承详细参数

球面滚子轴承, 带退卸套的
主要数据尺寸基本负荷额定值疲劳负荷限值额定速度体积型号
动态静态参照速度限制速度轴承 +退卸套
d1DBCC0Pu
* - SKF Explorer 轴承
mmkNkNr/minkg-
160360120176021601761400180065,022334 CCK/W33 + AH 2334 G *

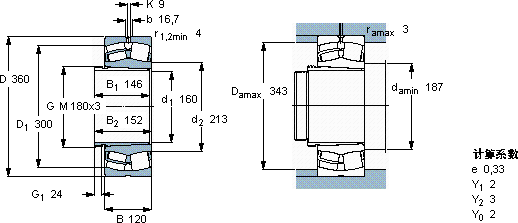
SKF 22334 CCK/W33 + AH 2334 G *轴承尺寸图纸

李工:138-8949-5179

刘工:135-0428-8802

地址:辽宁省大连经济技术开发区现代城3栋-13-13号

在线客服系统