轴承专区
Bearings Center
RSTO 40轴承-SKF RSTO 40轴承尺寸、图纸、价格
SKF RSTO 40轴承
| 产品名称: | RSTO 40轴承 | 品牌: | SKF |
|---|---|---|---|
| 类型: | SKF轴承 > 滚动轴承 > 滚轮轴承 | ||
| 描述: | RSTO 40轴承是【SKF轴承 > 滚动轴承 > 滚轮轴承】的型号,主要用在建筑机械、差速器小齿轮轴、发电机、小齿轮轴、各类产业用减速机、机床等的变速装置、成形机、化纤机械、压路机、焊接机器人等各大领域 | ||
电话/微信:138-8949-5179
SKF RSTO 40轴承详细信息
RSTO 40轴承是【SKF轴承 > 滚动轴承 > 滚轮轴承】的型号,主要用在建筑机械、差速器小齿轮轴、发电机、小齿轮轴、各类产业用减速机、机床等的变速装置、成形机、化纤机械、压路机、焊接机器人等各大领域。
SKF RSTO 40轴承详细参数
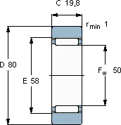
| 不带法兰圈支承滚子,无内圈 | |||||||||||
| 尺寸 | 基本负荷额定值 | 疲劳限值 | 最大径向负荷 | 限制速度 | 体积 | 型号 | |||||
| 动态 | 静态 | 动态 | 静态 | ||||||||
| D | Fw | C | C | C0 | Pu | Fr | F0r | ||||
| mm | kN | kN | kN | r/min | kg | - | |||||
| 80 | 50 | 19,8 | 23,8 | 39 | 4,75 | 34,5 | 49 | 1900 | 0,42 | RSTO 40 | |
SKF RSTO 40轴承尺寸图纸

