轴承专区
Bearings Center
7214 BEGAM *轴承-SKF 7214 BEGAM *轴承尺寸、图纸、价格
SKF 7214 BEGAM *轴承
| 产品名称: | 7214 BEGAM *轴承 | 品牌: | SKF |
|---|---|---|---|
| 类型: | SKF轴承 > 滚动轴承 > 角接触球轴承 | ||
| 描述: | 7214 BEGAM *轴承是【SKF轴承 > 滚动轴承 > 角接触球轴承】的型号,主要用在仪表、印刷机械、木工机械、轧钢机辊颈、减速装置、石油钻机转环、碾煤机、化纤机械、凿岩机械、钢包回转台等各大领域 | ||
电话/微信:138-8949-5179
SKF 7214 BEGAM *轴承详细信息
7214 BEGAM *轴承是【SKF轴承 > 滚动轴承 > 角接触球轴承】的型号,主要用在仪表、印刷机械、木工机械、轧钢机辊颈、减速装置、石油钻机转环、碾煤机、化纤机械、凿岩机械、钢包回转台等各大领域。
SKF 7214 BEGAM *轴承详细参数
| 角接触球轴承, 单列 | |||||||||||
| 主要数据尺寸 | 尺寸 [英寸] | 疲劳负荷限值 | 额定速度 | 体积 | 型号 | ||||||
| 动态 | 静态 | 参照速度 | 限制速度 | ||||||||
| d | D | B | C | C0 | Pu | * - SKF Explorer 轴承 | |||||
| mm | kN | kN | r/min | kg | - | ||||||
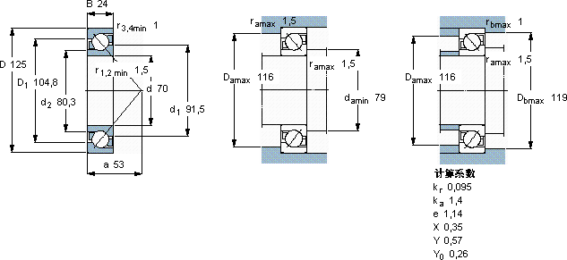
| 70 | 125 | 24 | 72 | 60 | 2,55 | 6300 | 6300 | 1,18 | 7214 BEGAM * | ||
SKF 7214 BEGAM *轴承尺寸图纸

