李工:138-8949-5179 刘工:135-0428-8802
型号查询
轴承型号   常见搜索: 71913轴承 6015轴承 6906轴承 6304轴承 6305轴承 6030轴承
型号查询 X

轴承专区

Bearings Center

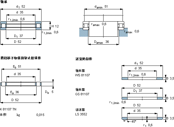
81107 TN轴承-SKF 81107 TN轴承尺寸、图纸、价格

SKF 81107 TN轴承

产品名称:81107 TN轴承 品牌:SKF
类型:SKF轴承 > 滚动轴承 > 圆柱滚子推力轴承
描述:81107 TN轴承是【SKF轴承 > 滚动轴承 > 圆柱滚子推力轴承】的型号,主要用在后轮、小型汽车前轮、汽车发动机、差速器、木工机械、汽车转向销、水力发电机、精细化工机械、土方机械、泥炮等各大领域

 电话/微信:138-8949-5179

SKF 81107 TN轴承详细信息

81107 TN轴承是【SKF轴承 > 滚动轴承 > 圆柱滚子推力轴承】的型号,主要用在后轮、小型汽车前轮、汽车发动机、差速器、木工机械、汽车转向销、水力发电机、精细化工机械、土方机械、泥炮等各大领域。

SKF 81107 TN轴承详细参数

圆柱滚子推力轴承, 轴承 / 圆柱滚子和保持架止推组件
主要数据尺寸基本负荷额定值疲劳负荷限值最小负荷系数额定速度体积型号
动态静态参照速度限制速度轴承圆柱滚子和保持架止推组件
dDHCC0PuA
mmkNkN-r/minkg-
35521229939,150,00069280056000,07381107 TNK 81107 TN

SKF 81107 TN轴承尺寸图纸

李工:138-8949-5179

刘工:135-0428-8802

地址:辽宁省大连经济技术开发区现代城3栋-13-13号

在线客服系统