李工:138-8949-5179 刘工:135-0428-8802
型号查询
轴承型号   常见搜索: *轴承 6032轴承 6016轴承 1轴承 6026轴承 617轴承
型号查询 X

轴承专区

Bearings Center

6230轴承-SKF 6230轴承尺寸、图纸、价格

SKF 6230轴承

产品名称:6230轴承 品牌:SKF
类型:SKF轴承 > 滚动轴承 > 深沟球轴承
描述:6230轴承是【SKF轴承 > 滚动轴承 > 深沟球轴承】的型号,主要用在家用电器、空气压缩机、纺织机械传动轴、大型农业机械、造纸机械、耕耘机、塔吊、电子、地基处理机械、雷达等各大领域

 电话/微信:138-8949-5179

SKF 6230轴承详细信息

6230轴承是【SKF轴承 > 滚动轴承 > 深沟球轴承】的型号,主要用在家用电器、空气压缩机、纺织机械传动轴、大型农业机械、造纸机械、耕耘机、塔吊、电子、地基处理机械、雷达等各大领域。

SKF 6230轴承详细参数

深沟球轴承, 单列, 无密封件
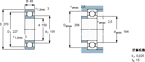
主要数据尺寸基本负荷额定值疲劳负荷限值额定速度体积型号
动态静态参照速度限制速度
dDBCC0Pu
mmkNkNr/minkg-
150270451741664,9500032009,406230

SKF 6230轴承尺寸图纸

李工:138-8949-5179

刘工:135-0428-8802

地址:辽宁省大连经济技术开发区现代城3栋-13-13号

在线客服系统