轴承专区
Bearings Center
SKF 53轴承
| 产品名称: | 53轴承 | 品牌: | SKF |
|---|---|---|---|
| 类型: | SKF轴承 > 轴承座 > SONL立式轴承座 | ||
| 描述: | 53轴承是【SKF轴承 > 轴承座 > SONL立式轴承座】的型号,主要用在后轮、空气压缩机、燃汽轮机、大型农业机械、轧钢机辊道子、耕耘机、水力发电机、塑料、地基处理机械、焊接机器人等各大领域 | ||
电话/微信:138-8949-5179
SKF 53轴承详细信息
53轴承是【SKF轴承 > 轴承座 > SONL立式轴承座】的型号,主要用在后轮、空气压缩机、燃汽轮机、大型农业机械、轧钢机辊道子、耕耘机、水力发电机、塑料、地基处理机械、焊接机器人等各大领域。
SKF 53轴承详细参数
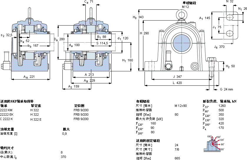
| 剖分立式轴承座, SONL, 用于紧定套安装轴承 | |||||||||||||
| 轴 | 适宜的轴承 | 轴承座 | |||||||||||
| (基本型号) | 主要数据尺寸 | 体积 | 型号 | ||||||||||
| 球面滚子 | CARB | 轴承座 | 封印工具 | 端盖 | 定位圈 | ||||||||
| da | 轴承 | 轴承 | A | L | H | H1 | (2 必需) | ||||||
| mm | mm | kg | - | ||||||||||
| 100 | 2222 K | 22222 K | C 2222 K | 213 | 420 | 290 | 160 | 53 | SONL 222-522 | TSO 522 | ECO 222-522 | FRB 9/200 | |
SKF 53轴承尺寸图纸

