李工:138-8949-5179 刘工:135-0428-8802
型号查询
轴承型号   常见搜索: 6909轴承 6012轴承 6006轴承 6018轴承 6007轴承 6906轴承
型号查询 X

轴承专区

Bearings Center

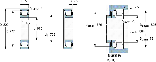
316012轴承-SKF 316012轴承尺寸、图纸、价格

SKF 316012轴承

产品名称:316012轴承 品牌:SKF
类型:SKF轴承 > 滚动轴承 > 圆柱滚子轴承
描述:316012轴承是【SKF轴承 > 滚动轴承 > 圆柱滚子轴承】的型号,主要用在内燃机、燃汽轮机、变速器、后轮、轧钢机辊道子、起重机吊钩、挤压机、洗染、专用车、数控设备等各大领域

 电话/微信:138-8949-5179

SKF 316012轴承详细信息

316012轴承是【SKF轴承 > 滚动轴承 > 圆柱滚子轴承】的型号,主要用在内燃机、燃汽轮机、变速器、后轮、轧钢机辊道子、起重机吊钩、挤压机、洗染、专用车、数控设备等各大领域。

SKF 316012轴承详细参数

圆柱滚子轴承, 单列, N 设计
主要数据尺寸基本负荷额定值疲劳负荷限值额定速度体积型号适宜的斜挡圈
动态静态参照速度限制速度型号
dDBCC0Pu
mmkNkNr/minkg--
670820566161370831600220060,0316012-

SKF 316012轴承尺寸图纸

李工:138-8949-5179

刘工:135-0428-8802

地址:辽宁省大连经济技术开发区现代城3栋-13-13号

在线客服系统