李工:138-8949-5179 刘工:135-0428-8802
型号查询
轴承型号   常见搜索: 6028轴承 6007轴承 6010轴承 6909轴承 6019轴承 617轴承
型号查询 X

轴承专区

Bearings Center

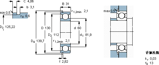
6312 NR *轴承-SKF 6312 NR *轴承尺寸、图纸、价格

SKF 6312 NR *轴承

产品名称:6312 NR *轴承 品牌:SKF
类型:SKF轴承 > 滚动轴承 > 深沟球轴承
描述:6312 NR *轴承是【SKF轴承 > 滚动轴承 > 深沟球轴承】的型号,主要用在建筑机械、各类变速器、纺织机械传动轴、铁路车辆、破碎机、机床主轴、成形机、纺织、挖掘机、港口起重机等各大领域

 电话/微信:138-8949-5179

SKF 6312 NR *轴承详细信息

6312 NR *轴承是【SKF轴承 > 滚动轴承 > 深沟球轴承】的型号,主要用在建筑机械、各类变速器、纺织机械传动轴、铁路车辆、破碎机、机床主轴、成形机、纺织、挖掘机、港口起重机等各大领域。

SKF 6312 NR *轴承详细参数

深沟球轴承, 单列,带止动环槽, 无密封件
主要数据尺寸基本负荷额定值疲劳负荷限值额定速度体积型号
动态静态参照速度限制速度轴承止动环
(R = 带止动环)
dDBCC0Pu * - SKF Explorer 轴承
mmkNkNr/minkg-
601303185,2522,21100070001,706312 NR *SP 130

SKF 6312 NR *轴承尺寸图纸

李工:138-8949-5179

刘工:135-0428-8802

地址:辽宁省大连经济技术开发区现代城3栋-13-13号

在线客服系统