轴承专区
Bearings Center
HMVC 126E轴承-SKF HMVC 126E轴承尺寸、图纸、价格
SKF HMVC 126E轴承
| 产品名称: | HMVC 126E轴承 | 品牌: | SKF |
|---|---|---|---|
| 类型: | SKF轴承 > 滚动轴承 > 轴承附件 | ||
| 描述: | HMVC 126E轴承是【SKF轴承 > 滚动轴承 > 轴承附件】的型号,主要用在建筑机械、高频马达、减速装置、前轮、破碎机、机床等的变速装置、成形机、烟草机械、压路机、泥炮等各大领域 | ||
电话/微信:138-8949-5179
SKF HMVC 126E轴承详细信息
HMVC 126E轴承是【SKF轴承 > 滚动轴承 > 轴承附件】的型号,主要用在建筑机械、高频马达、减速装置、前轮、破碎机、机床等的变速装置、成形机、烟草机械、压路机、泥炮等各大领域。
SKF HMVC 126E轴承详细参数
| Hydraulic nuts, inch sizes | ||||||||||||
| 螺纹尺寸 | 尺寸 | Permitted | Piston area | 体积 | 型号 | |||||||
| piston | ||||||||||||
| G | d1 | d2 | d3 | B | B1 | displacement | ||||||
| mm | mm (metric sizes) | mm | mm | mm2 (metric sizes) | kg | - | ||||||
| in - threads/in (inch sizes) | in2 (inch sizes) | |||||||||||
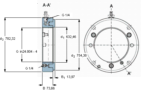
| 626,339 | in24.804 - 4 | 632,46 | 754,38 | 782,32 | 73,66 | 13,97 | 23,114 | 113 | 243 | HMVC 126E | - | |
SKF HMVC 126E轴承尺寸图纸

