轴承专区
Bearings Center
SALKAC 16 M轴承-SKF SALKAC 16 M轴承尺寸、图纸、价格
SKF SALKAC 16 M轴承
| 产品名称: | SALKAC 16 M轴承 | 品牌: | SKF |
|---|---|---|---|
| 类型: | SKF轴承 > 球面滑动轴承和杆端关节轴承 > 需维护的杆端关节轴承 | ||
| 描述: | SALKAC 16 M轴承是【SKF轴承 > 球面滑动轴承和杆端关节轴承 > 需维护的杆端关节轴承】的型号,主要用在燃汽轮机、差速器小齿轮轴、木工机械、小齿轮轴、印刷机械、机床主轴、电机厂、薄膜拉伸、挖掘机、数控设备等各大领域 | ||
电话/微信:138-8949-5179
SKF SALKAC 16 M轴承详细信息
SALKAC 16 M轴承是【SKF轴承 > 球面滑动轴承和杆端关节轴承 > 需维护的杆端关节轴承】的型号,主要用在燃汽轮机、差速器小齿轮轴、木工机械、小齿轮轴、印刷机械、机床主轴、电机厂、薄膜拉伸、挖掘机、数控设备等各大领域。
SKF SALKAC 16 M轴承详细参数
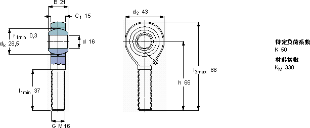
| 需要维护的杆端, 钢对青铜,阳螺纹 | |||||||||||
| 主要数据尺寸 | 角度倾的 | 基本负荷额定值 | 质量 | 型号 | |||||||
| 动态 | 静态 | 轴承座完全与 | |||||||||
| d | d2 | B | d3 | C1 | h | ± | C | C0 | |||
| 6g | |||||||||||
| mm | 度数 | kN | kg | - | |||||||
| 16 | 43 | 21 | M 16 | 15 | 66 | 15 | 21,6 | 23,2 | 0,21 | SALKAC 16 M | |
SKF SALKAC 16 M轴承尺寸图纸

