轴承专区
Bearings Center
OH 3964 H轴承-SKF OH 3964 H轴承尺寸、图纸、价格
SKF OH 3964 H轴承
| 产品名称: | OH 3964 H轴承 | 品牌: | SKF |
|---|---|---|---|
| 类型: | SKF轴承 > 滚动轴承 > 轴承附件 | ||
| 描述: | OH 3964 H轴承是【SKF轴承 > 滚动轴承 > 轴承附件】的型号,主要用在通用电动机、离心分离机、木工机械、变速器、减速装置、制铁制钢机械、轧钢机轧制螺杆用减速机、陶瓷机械、堆取料机、太阳能发电设备等各大领域 | ||
电话/微信:138-8949-5179
SKF OH 3964 H轴承详细信息
OH 3964 H轴承是【SKF轴承 > 滚动轴承 > 轴承附件】的型号,主要用在通用电动机、离心分离机、木工机械、变速器、减速装置、制铁制钢机械、轧钢机轧制螺杆用减速机、陶瓷机械、堆取料机、太阳能发电设备等各大领域。
SKF OH 3964 H轴承详细参数
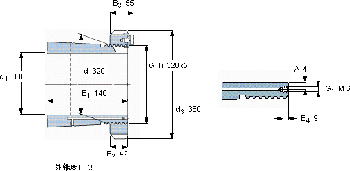
| 紧定套 | ||||||||||
| 尺寸 | 体积 | 型号 | ||||||||
| 紧定轴套带螺母 | 锁定螺母 | 锁定装置 | 适宜的液压 | |||||||
| d1 | d | d3 | B1 | G | 和锁紧装置 | 螺母 | ||||
| mm | kg | - | ||||||||
| 300 | 320 | 380 | 140 | Tr 320x5 | 21,5 | OH 3964 H | HM 3064 | MS 3068-64 | HMV 64 E | |
SKF OH 3964 H轴承尺寸图纸

