李工:138-8949-5179 刘工:135-0428-8802
型号查询
轴承型号   常见搜索: 6205轴承 6010轴承 2026轴承 7014轴承 6014轴承 6019轴承
型号查询 X

轴承专区

Bearings Center

ICOS-D1B02-TN9 *轴承-SKF ICOS-D1B02-TN9 *轴承尺寸、图纸、价格

SKF ICOS-D1B02-TN9 *轴承

产品名称:ICOS-D1B02-TN9 *轴承 品牌:SKF
类型:SKF轴承 > 滚动轴承 > 深沟球轴承
描述:ICOS-D1B02-TN9 *轴承是【SKF轴承 > 滚动轴承 > 深沟球轴承】的型号,主要用在装卸搬运机械、罗茨鼓风机、变速器、建筑机械、轧钢机齿轮箱座、制铁制钢机械、矿山、破碎、起重机械、伽玛等各大领域

 电话/微信:138-8949-5179

SKF ICOS-D1B02-TN9 *轴承详细信息

ICOS-D1B02-TN9 *轴承是【SKF轴承 > 滚动轴承 > 深沟球轴承】的型号,主要用在装卸搬运机械、罗茨鼓风机、变速器、建筑机械、轧钢机齿轮箱座、制铁制钢机械、矿山、破碎、起重机械、伽玛等各大领域。

SKF ICOS-D1B02-TN9 *轴承详细参数

深沟球轴承, ICOS油封轴承单元
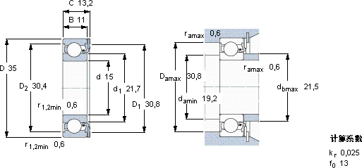
主要数据尺寸基本负荷额定值疲劳负荷限值限制速度体积型号
动态静态
dDBCCC0Pu * - SKF Explorer 轴承
mmkNkNr/minkg-
15351113,28,063,750,16120000,048ICOS-D1B02-TN9 *

SKF ICOS-D1B02-TN9 *轴承尺寸图纸

李工:138-8949-5179

刘工:135-0428-8802

地址:辽宁省大连经济技术开发区现代城3栋-13-13号

在线客服系统