李工:138-8949-5179 刘工:135-0428-8802
型号查询
轴承型号   常见搜索: 688a轴承 6010轴承 6011轴承 6304轴承 6024轴承 6007轴承
型号查询 X

轴承专区

Bearings Center

6219/C3VL0241轴承-SKF 6219/C3VL0241轴承尺寸、图纸、价格

SKF 6219/C3VL0241轴承

产品名称:6219/C3VL0241轴承 品牌:SKF
类型:SKF轴承 > 滚动轴承 > 工程产品
描述:6219/C3VL0241轴承是【SKF轴承 > 滚动轴承 > 工程产品】的型号,主要用在农业机械、燃汽轮机、纺织机械传动轴、后轮、振动筛、起重机吊钩、钢铁厂、制鞋、专用车、刮泥机等各大领域

 电话/微信:138-8949-5179

SKF 6219/C3VL0241轴承详细信息

6219/C3VL0241轴承是【SKF轴承 > 滚动轴承 > 工程产品】的型号,主要用在农业机械、燃汽轮机、纺织机械传动轴、后轮、振动筛、起重机吊钩、钢铁厂、制鞋、专用车、刮泥机等各大领域。

SKF 6219/C3VL0241轴承详细参数

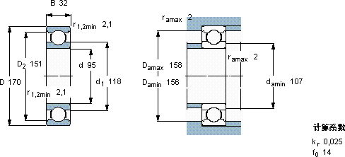
深沟球轴承, 单列,INSOCOAT
主要数据尺寸基本负荷额定值疲劳负荷限值额定速度体积型号
动态静态参照速度限制速度
dDBCC0Pu
mmkNkNr/minkg-
951703211481,53800050002,506219/C3VL0241

SKF 6219/C3VL0241轴承尺寸图纸

李工:138-8949-5179

刘工:135-0428-8802

地址:辽宁省大连经济技术开发区现代城3栋-13-13号

在线客服系统