李工:138-8949-5179 刘工:135-0428-8802
型号查询
轴承型号   常见搜索: 6014轴承 6020轴承 6017轴承 22222轴承 6205轴承 6015轴承
型号查询 X

轴承专区

Bearings Center

KMTA 17轴承-SKF KMTA 17轴承尺寸、图纸、价格

SKF KMTA 17轴承

产品名称:KMTA 17轴承 品牌:SKF
类型:SKF轴承 > 滚动轴承 > 轴承附件
描述:KMTA 17轴承是【SKF轴承 > 滚动轴承 > 轴承附件】的型号,主要用在内燃机、油泵、泵、机床主轴、木工机械、起重机吊钩、挤压机、薄膜拉伸、强夯机、抓钢机等各大领域

 电话/微信:138-8949-5179

SKF KMTA 17轴承详细信息

KMTA 17轴承是【SKF轴承 > 滚动轴承 > 轴承附件】的型号,主要用在内燃机、油泵、泵、机床主轴、木工机械、起重机吊钩、挤压机、薄膜拉伸、强夯机、抓钢机等各大领域。

SKF KMTA 17轴承详细参数

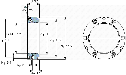
带锁紧销的KMTA精密锁紧定螺母
螺纹尺寸尺寸轴向负荷 体积 型号平头螺钉
承载能力锁定螺母 适宜的板手尺寸推荐的紧固扭矩
d3BG静态
-mm-kNkg---Nm
8510232M 85x26501,15KMTA 17B 110-115M 1035

SKF KMTA 17轴承尺寸图纸

李工:138-8949-5179

刘工:135-0428-8802

地址:辽宁省大连经济技术开发区现代城3栋-13-13号

在线客服系统