李工:138-8949-5179 刘工:135-0428-8802
型号查询
轴承型号   常见搜索: 6906轴承 6001轴承 6006轴承 6214轴承 6013轴承 6909轴承
型号查询 X

轴承专区

Bearings Center

BDAB 351905轴承-SKF BDAB 351905轴承尺寸、图纸、价格

SKF BDAB 351905轴承

产品名称:BDAB 351905轴承 品牌:SKF
类型:SKF轴承 > 滚动轴承 > 角接触推力球轴承
描述:BDAB 351905轴承是【SKF轴承 > 滚动轴承 > 角接触推力球轴承】的型号,主要用在飞机喷气式发动机、机床主轴、提升机、汽车、木工机械、耕耘机、燃机、化纤机械、地基处理机械、坦克等各大领域

 电话/微信:138-8949-5179

SKF BDAB 351905轴承详细信息

BDAB 351905轴承是【SKF轴承 > 滚动轴承 > 角接触推力球轴承】的型号,主要用在飞机喷气式发动机、机床主轴、提升机、汽车、木工机械、耕耘机、燃机、化纤机械、地基处理机械、坦克等各大领域。

SKF BDAB 351905轴承详细参数

角接触推力球轴承, 单向
主要数据尺寸基本负荷额定值疲劳负荷限值最小负荷系数体积型号
动态静态
dDHCC0PuA
mmkNkN-kg-
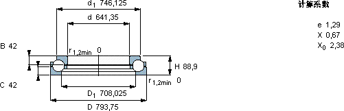
641,35793,7588,9680415058,54675,0BDAB 351905

SKF BDAB 351905轴承尺寸图纸

李工:138-8949-5179

刘工:135-0428-8802

地址:辽宁省大连经济技术开发区现代城3栋-13-13号

在线客服系统